Към съдържанието

Информационен сайт за боеприпаси/Information site for cartridges

  • Начало/About
  • Книги/Books
    • Маркировка на боеприпасите – част I
    • Маркировка на боеприпасите – част II
    • Маркировка на боеприпасите – част 3
    • Ловни боеприпаси за нарезни оръжия
    • Ловни куршуми за нарезни оръжия
    • Боеприпасите на Уинчестър
    • Енциклопедия Боеприпаси за револвери и пистолети – второ актуализирано издание
  • Боеприпаси/Cartridges
    • Централно възпламеняване/Center fire
      • Метрична система/Metric
        • До 6 mm/ Up to 6 mm
        • От 6.1 до 7 mm/From 6.1 up to 7 mm
        • От 7.1 до 7.65 mm/From 7.1 up to 7.65 mm
        • От 7.66 до 8 mm/From 7.66 up to 8 mm
        • От 8.1 до 9 mm/From 8.1 up to 9 mm
        • От 9.1 до 10 mm/From 9.1 up to 10 mm
        • От 10.1 до 11.4 mm/From 10.1 up to 11.4 mm
        • От 11.5 до 18.9 mm/From 11.5 up to 18.9 mm
      • Инчова система/Inch
        • До .230″/Up to .230″
        • От .231″ до .275″/From .231″ up to .275″
        • От .276″ до .300″/From .276″ up to .300″
        • От .301″ до .320″/From .301″ up to .320″
        • От .321″ до .350″/From .321″ up to .350″
        • От .351″ до .390″/From .351″ up to .390″
        • От .391″ до .440″/From .391″ up to .440″
        • От .441″ до .450″/From .441″ up to .450″
        • От .451″ до .500″/From .451″ up to .500″
        • От .501″ до 1″/From .501″ up to 1″
    • Периферно възпламеняване/Rim fire
      • До 6 mm (.23″)/Up to 6 mm (.23″)
      • От 6.1 до 9 mm (.35″)/ From 6.1 up to 9 mm (.35″)
      • От 9.1 до 18 mm (.38″-1″)/From 9.1 up to 18 mm (.38″-1″)
    • Щифтово възпламеняване/Pin fire
    • Други/Others
  • Термини/Definitions
  • Ревюта/Reviews
  • Статии/Articles
  • Български оръжейни издания
  • Стари реклами/Old ads
  • Партньори/Partners
  • Контакт/Contact

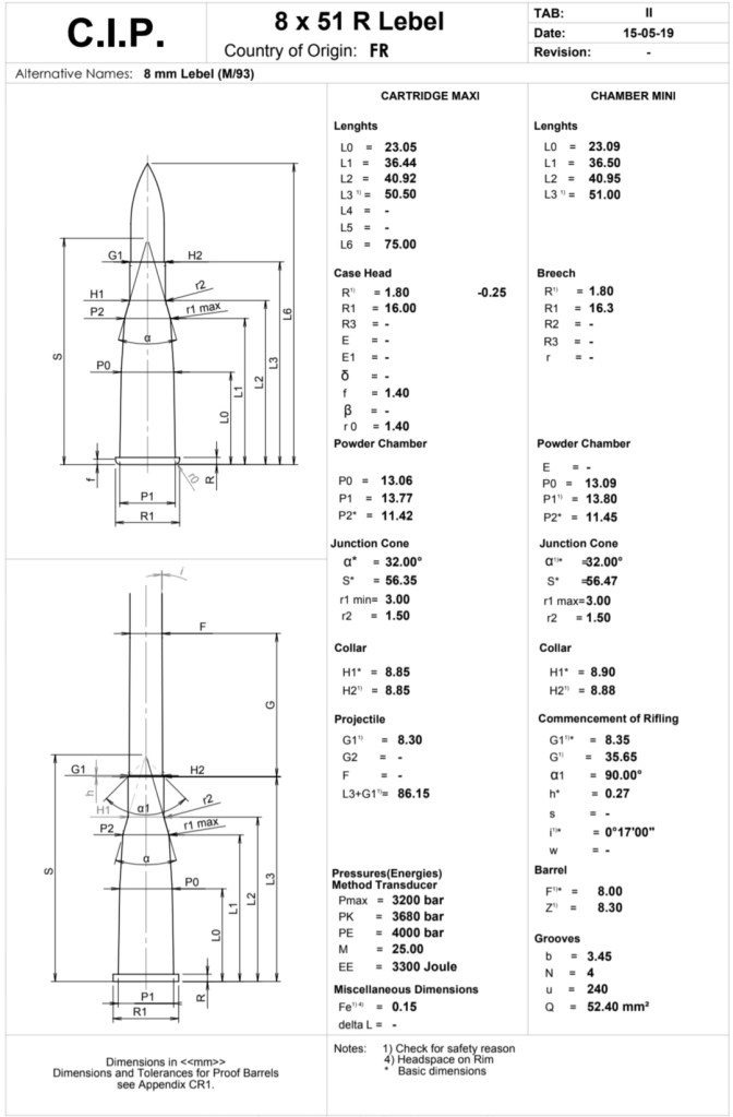
8 x 50R Mle. 1886


Сподели това:

  • Share on X(Отваря се в нов прозорец) X
  • Share on Facebook(Отваря се в нов прозорец) Facebook
Харесвам Зареждане...
Блог в WordPress.com.
    • Информационен сайт за боеприпаси/Information site for cartridges
    • Регистрация
    • Влизане
    • Copy shortlink
    • Report this content
    • Manage subscriptions

Зареждане на коментари...

    %d